Rozbudowa systemu przerwań

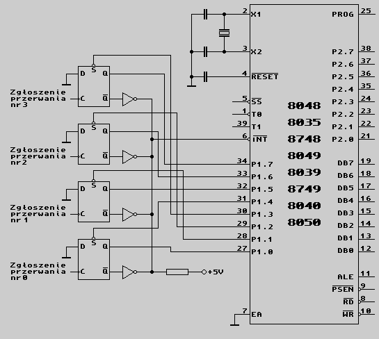
Mikrokomputer 8048 ma tylko jedno wejście przerywające /INT. Dołączenie większej liczby sygnałów przerwań zewnętrznych wymaga zastosowania zewnętrznego układu zbierającego te przerwania. Przykład takiego układu, umożliwiającego dołączenie czterech sygnałów zgłoszeń przerwań, pokazano na rys.
Przerwania są zgłaszane narastającym zboczem sygnału. Zgłoszenie powoduje wyzerowanie odpowiedniego przerzutnika D i w konsekwencji - wymuszenie stanu niskiego na wejściu przerywającym /INT.

Układ wymaga programowej identyfikacji przyczyny zgłoszonego przerwania (przez odczytanie stanu bitów od 0 do 3 portu P1) oraz programowego ustalenia priorytetu obsługi przerwań przy ich jednoczesnym zgłoszeniu (zapalony więcej niż jeden przerzutnik). W programie obsługi przerwań powinno być również zawarte skasowanie jego zgłoszenia, co dokonuje się tutaj przez chwilowe wysłanie zera na odpowiedni z bitów 4-7 portu P1 (w stanie normalnym, na tych bitach powinny być jedynki). Spowoduje to ustawienie przerzutnika i skasowanie zgłoszenia.

W pokazany na rys. sposób można oczywiście dołączyć mniejszą lub większą liczbę sygnałów przerywających. W tym drugim przypadku, w celu zmniejszenia liczby potrzebnych do identyfikacji i kasowania zgłoszenia bitów portu, można zastosować koder priorytetowy do generacji numeru zgłoszonego przerwania oraz dekoder do kasowania.

Powrót